The Maternity Bed Leg Support

For this five‑student group project, we collaborated with Technicare, a manufacturer of medical technology, to redesign the leg support of the Nascentia Birthing Bed. Our goal was to create a more intuitive, robust, and inclusive product that better supports maternity patients during birthing procedures.

The final design aligns with Technicare’s manufacturing capabilities and can be implemented efficiently using mostly in‑house production. In addition, we deliberately kept the design close to the original concept to minimize material waste, and avoid major production changes, ensuring realistic and feasible implementation within existing manufacturing processes.

Our final design and prototype were selected by the IPD Master Communications Team to represent Master’s projects at the Faculty of Industrial Design Engineering of TU Delft.

Overview of Project Brief

During the early research phase, we identified a lack of insight into the patient’s experience. Our goal became to balance the needs of both patients and medical staff throughout the redesign.

My individual research explored how low-risk maternity patients could safely adjust the leg support themselves, increasing their sense of autonomy during childbirth. Through interviews, observations, and testing in hospital contexts, we identified opportunities to make patient-initiated adjustments intuitive and secure.

Individual Research Poster on Patient Autonomy

Technicare’s in-house manufacturing capabilities and the expertise of its team were central to our approach. By collaborating closely with the company, we aimed to create a design that could be seamlessly integrated into existing production processes.

To improve usability, we realigned the product’s internal mechanisms with its external interface, resulting in leg supports that are more intuitive and straightforward to operate.

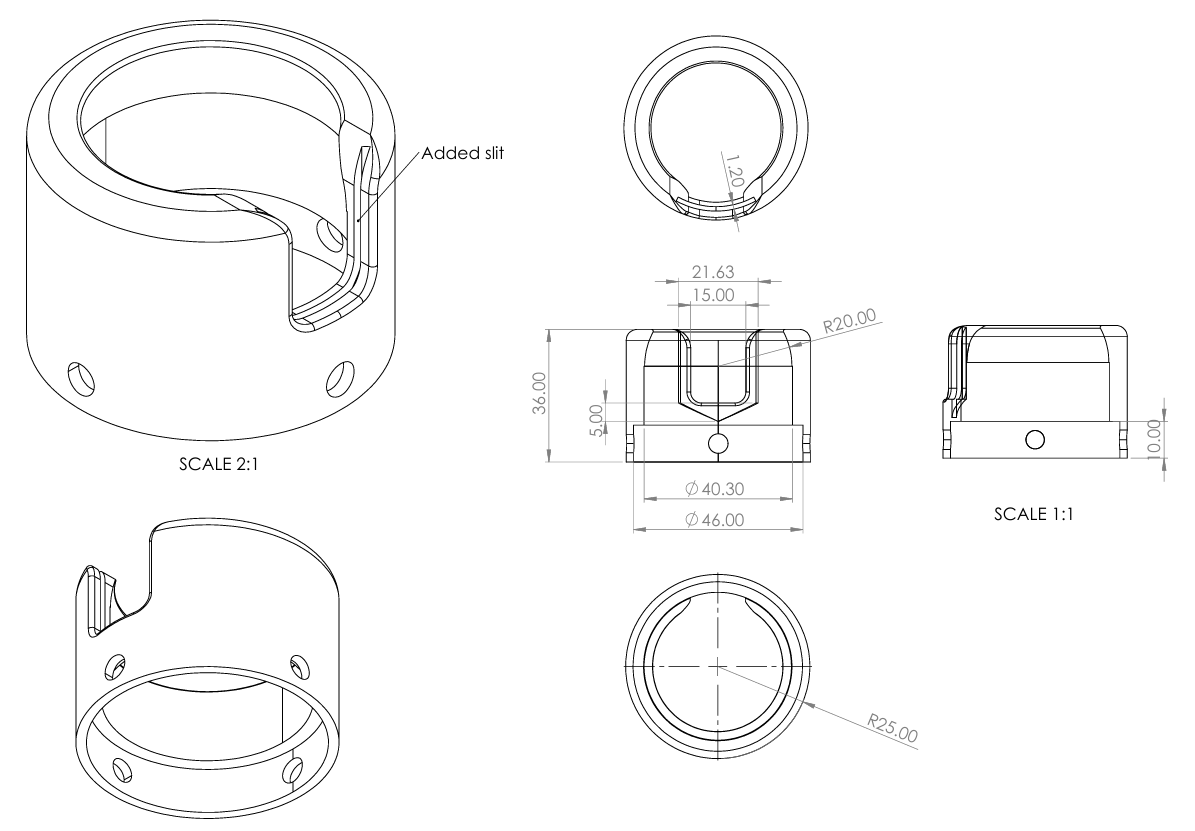
During the development phase, I translated team concepts into detailed CAD models for rapid prototyping, allowing us to 3D‑print and test iterations quickly. This included designing the internal mechanisms for the leg support and iterating them based on user feedback.

Prototype of a ball-joint lock

Prototype of a rotational mechanism

Rapid prototyping enabled the team to develop a fully functional leg support incorporating durable metal mechanisms.

Final working prototype

Throughout the project, I continuously refined the CAD models and was responsible for assembling the team’s final integrated CAD model and conducting the FEA analysis.

Next
Next

Bsc Thesis KB Nationale Bibliotheek